| Sign In | Join Free | My benadorassociates.com |
|
Brand Name : Rongxiao
Model Number : 70L,90L,100L,120L,150L,180L
Certification : CAL,CMA,CNAS,,CCC
Place of Origin : Guangzhou City, Guangdong Province, China
MOQ : 1 set
Price : Negotiation
Payment Terms : L/C, D/P, Western Union, T/T, Credit card
Supply Ability : 18000 sets per week
Delivery Time : 10 days, subject to quantity negotiation
Packaging Details : Plywood outer box with bubble bag or paper
Discharge Height : 2-4 M
Detection System : Heat & Smoke Detectors
Filling Density : ≤950kg/m3
Suitable For : Sensitive electronic equipment and valuable assets
Pattern Of Extinguishing : Enclosed Flooding
Discharge Time : 10 seconds
System Type : pipe network
Working Power : DC 24V 1.5A
FM200 fire extinguishing system reliability and agent purity 99.99%
FM200 gas fire extinguishing equipment introduction:
Heptafluoropropane is a colorless, odorless, non-conductive, low-pressure liquefied storage gas fire extinguishing agent, its molecular formula is CF3CHFCF3, and its trademark name is HFC227ea. Heptafluoropropane fire extinguishing agent has the advantages of fast fire extinguishing speed, rapid fire control to minimize the loss caused by fire, no stains and residues after fire extinguishing, high fire extinguishing efficiency, and no damage to the atmosphere. It has been widely promoted and applied.
Heptafluoropropane fire extinguishing system has high fire extinguishing efficiency, and the required gas cylinder room area is smaller than that of IG541 system. It is suitable for projects with relatively concentrated protection areas and suitable gas cylinder rooms, such as basement substations and transmission substations. The protection areas usually protected include computer rooms, communication rooms, generator rooms, substations, libraries, archives, museums, etc..
Main product parameters:
| Design working pressure(20℃)(MPa) | 4.2/5.6 |
| Fire extinguisher injection time(s) | ≤10 |
| System operating temperature(℃) | 0~50 |
| System operating voltage(V) | DC24 |
| System working current(A) | 1.5 |
| Driving gas bottle group filling pressure(20℃)(MPa) | 6.0 |
System classification composition:
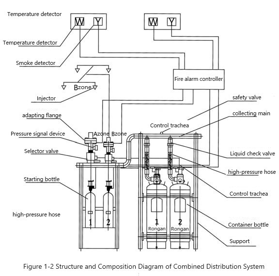
The heptafluoropropane gas fire extinguishing system is a totally submerged fire extinguishing system, which is mainly composed of fire detection system (fire detector, alarm controller), fire extinguishing control system (gas fire extinguishing control panel, audible and visual alarm, emergency start/stop button, etc.) and gas fire extinguishing system. Gas fire extinguishing system is mainly divided into unit independent system and combined distribution system. Unit independent system: a heptafluoropropane supply source, which protects a single protected area or protected object through a fixed pipe network and nozzles. The system can start all seven-gas propane fire extinguishing agent bottle groups with one driving gas bottle group without setting a selection valve, and the combined distribution system: a seven-gas propane supply source protects two or more protected areas or protected objects through a regional selection valve, a fixed pipe network and nozzles.


Company introduction:
Guangzhou Rongan Fire Protection Equipment Co., Ltd. is a professional manufacturer of fire protection facilities integrating R&D, production, design and sales services. The company has experts from the national fire protection industry standards committee and a group of professional technical service teams with more than ten years of experience in the fire protection industry, and will spare no effort to provide you with the most intimate and professional comprehensive technical solutions for fire protection engineering products. "Rongxiao" series products produced by the company have passed the national compulsory product certification and the national fixed fire extinguishing system inspection center, with reliable quality and stable performance, and the factory has passed the ISO9001 quality system certification.
Frequently asked questions:
Q1: Are you a manufacturer or a trading company? A1: We are manufacturers.
Q2: How long is the delivery time? A2:10 days, which can be negotiated according to the quantity.
Q3: How to deal with the fault? A3: During the warranty period, we will provide you with a remote emergency plan during working hours. During the free maintenance period, the company will replace spare parts or complete machines that have failed due to defects or quality problems free of charge.
|
|
HFC227ea Gas Fire Extinguisher System Enclosed Flooding Fire Suppression Fm 200 Images |